地址:湖北省公安縣青吉工業園
公司電話:0716-5225925
售后服務:0716-5234241
營銷專線:0716-5226671
公司傳真:0716-5228925-2
郵編:434300
郵箱地址: yxgs@hbaxle.com 或 marketing@hbaxle.com
地址:湖北省公安縣青吉工業園
公司電話:0716-5225925
售后服務:0716-5234241
營銷專線:0716-5226671
公司傳真:0716-5228925-2
郵編:434300
郵箱地址: yxgs@hbaxle.com 或 marketing@hbaxle.com
當前位置:
首頁 ? 新聞動態 ? 2401N122系列主減速器總成產品簡介發布時間:2016-01-08
一、2401N122-010-4.11主減速器總成特點及安裝
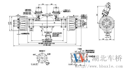
2401N122-010-4.11主減速器總成噪音低,傳遞扭矩大。其突緣端面至橋殼中心線距離為390mm(見如下安裝尺寸圖)。主從動錐齒輪有噪音低、壽命長的特點,其傳遞扭矩30000N.M,裝配成總成后噪音在84dB以下,壽命可達70萬次以上。
2401N122-010-4.11主減速器總成安裝圖

二、2401N122-010-4.11主減速器總成裝配與調整
(一)、驅動橋主減速器的調整
后橋主傳動為準雙曲面齒輪傳動。差速器為兩個半軸齒輪和四個行星齒輪以及差速器殼等件構成。半軸齒輪與半軸之間采用花鍵連接。
準雙曲面齒輪具有強度高、噪聲小的特點,但對裝配及潤滑要求較高,裝配或潤滑不當均會引起早期磨損。后橋主從動錐齒輪在出廠前已經過選配并調整好接觸印痕,因此在一般情況下,不必拆卸和調整,只有當齒輪嚴重磨損后或零件損壞必須更換時才可拆卸和調整。調整時應注意以下事項:
(1)主動錐齒輪軸承預緊度是由增減主動齒輪軸承調整墊圈的厚度來調整的,調整時,用彈簧秤在軸承座孔處測量其預緊負載力在20-50N,若預緊力不合格,應適當增減調整墊片進行調整。當調整完后,應將主動齒輪突緣螺母以390-540N.M擰緊,以防松動。
(2)主、從動錐齒輪的齒側間隙(在從動錐齒輪大端測量3處)應調整到0.30-0.40mm范圍內,但其齒側間隙變動量不大于0.15mm(從動錐齒輪大端面跳動不大于0.25mm)。調整減速器主動錐齒輪齒側間隙的方法是:待兩端調整螺母緊固后,將主減速器總成固定在架子上,用雙手抓住被動齒輪來回推拉,應感覺軸向無間隙,且軸承轉動靈活,無卡滯現象為合適。若不合適,可由主動錐齒輪沿軸向位移來調整。主動錐齒輪的軸向位移,可通過調整墊子片的增減來調整;從動錐齒輪的軸向位移,可通過旋轉差速器軸承左右調速環來完成。調好齒側間隙后,使調整螺母一個缺口對中,鎖緊差速器軸承蓋螺栓,裝好止動鎖片,擰緊螺栓,以防松動。
(3) 主動錐齒輪與從動錐齒輪的接觸印痕系用涂色法在無載荷的條件下進行檢測,正確印痕位于齒高和齒長方向的中部,且遠離大端而趨向小端,接觸面應大于齒面的50%,如接觸印痕不足時,應通過增減主動錐齒輪調整墊片來滿足要求。
(4) 新車行駛1500Km后,應檢查后橋主傳動的綜合間隙,如有異常,應予以拆檢。
(二)、驅動橋準雙曲面齒輪的潤滑要求
⑴ 必須加注汽車雙曲線齒輪油(牌號為GL-4;GL-5)。若用一般汽車齒輪油來代替,將導致準雙曲面齒輪的加速磨損。
⑵ 應保持油面在油面螺塞孔口的邊緣。
⑶ 新車行駛1500Km。
⑷ 發現油封漏油時,先檢查油封,若油封良好,則需檢查通氣塞是否堵塞。